Diagrama Electrico Ford Bronco, Diagram Wiring Diagram De Ford Ranger 2000 Full Version Hd Quality Ranger 2000 Wiringvideoab Lezionigis It

Diagrama Electrico Ford Bronco, Ford 1983 93 Diagramas Esquemas Graphics

Diagrama electrico ford bronco Indeed recently has been hunted by users around us, maybe one of you. Individuals are now accustomed to using the internet in gadgets to see video and image data for inspiration, and according to the title of the post I will talk about about Diagrama Electrico Ford Bronco.

  • Esquema Electrico 1969 Venta Online Ford Mustang
  • Diagram Motor Ford Escort Diagrama Full Version Hd Quality Escort Diagrama Srivenkateshwarawiringtechnology Parkhotelginevra It
  • Ford 5 0l Y 5 8l 1981 93 Diagramas Esquemas Graphics
  • Las Mejores Ofertas En Repair Manuals Literature For 1985 Ford Bronco Ebay
  • Manual Bronco 1995 Ford Pdf Reparacion Taller Manualesdetodo Net
  • 1218 Diagramas Sistema Electrico Ford Cargo 815 Original D Nq Np 579125 Mlv25389841807 022017 O Webp Imgbox

Find, Read, And Discover Diagrama Electrico Ford Bronco, Such Us:

  • Ford 1983 93 Diagramas Esquemas Graphics
  • Ford Thunderbird 3 8 1989 Auto Images And Specification
  • Como Probar Un Modulo Ford Steemit
  • Diagram Wiring Diagram Electrico Renault Twingo Full Version Hd Quality Renault Twingo Guidebookhouse Hoteldongwe It
  • Pin On Diagram

If you are looking for Ford Edge Interior 2021 you've arrived at the right location. We have 100 graphics about ford edge interior 2021 including images, pictures, photos, backgrounds, and much more. In such webpage, we also have variety of images available. Such as png, jpg, animated gifs, pic art, symbol, blackandwhite, translucent, etc.

Manual Ford Bronco 1996 Reparacion Y Servicio Manualesdetodo Net Ford Edge Interior 2021

Diagramas Sistema Electrico Ford Bronco F100 F150 F250 F350 Mercado Libre Ford Edge Interior 2021

Rxvftm0z8gsmmm Ford Edge Interior 2021

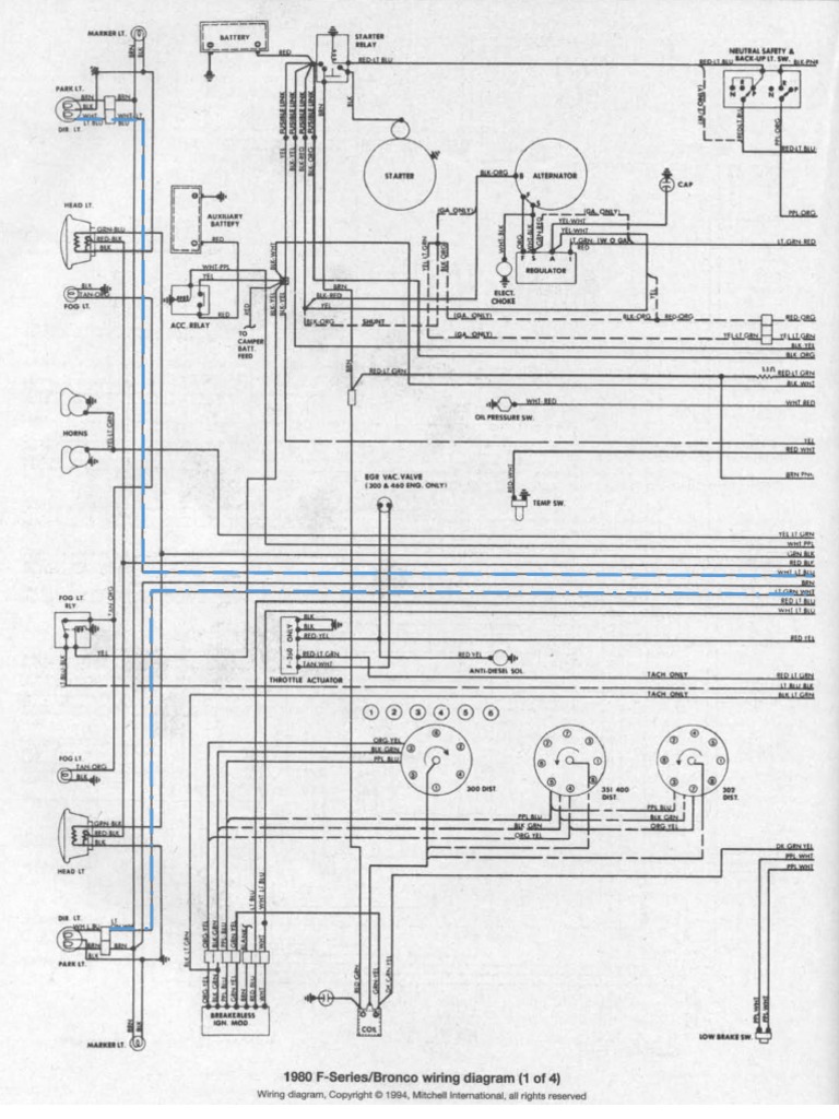
Diagramas Electricos Ford F 150 1980 Ford Edge Interior 2021

Pin En Ford Service Manuals Ford Edge Interior 2021

Diagram Motor Ford Escort Diagrama Full Version Hd Quality Escort Diagrama Srivenkateshwarawiringtechnology Parkhotelginevra It Ford Edge Interior 2021

Ford falcon ranchero fairlane manual.

Ford edge interior 2021. Componentes y sensores 198893 30l 32l q ue es un diagrama para que sirve un diagrama electrico automotriz. Ford falcon ranchero fairlane manual despiecepdf ford falcon. Bronco ii 6 cilpptx 1994.

La camioneta en todo su funcionamiento normal me traslade aproximadamente 150 km pare la camioneta posteriormente de una hora intente encender nuevamente y no predio desmontaje y verificacion de funcionamiento de bomba de. Burro de arranque escort nuevorar. 80 94 modelos grandes f100 al f350 todos los motores de gasolina de 2 y 4 tracciones haynes repair manual edicion espanola enlarge.

Ford bronco 1993 2 puertas motor 50 302 full inyeccion a gasolina 600000 kms. All new 2021 ford bronco july 13 2020 bill stroppe 1971 1975 baja broncos july 1 2020 parnelli jones legendary big oly 1970 ford bronco june 1 2020. Ford orion 1990 1999 electrical wiring diagrampdf.

Diagramas esquemas circuitos electricos luces componentes mecanica automotriz diagramas esquemas graphics mecanica automotriz ford 198193 diagramas ford motor 198193 23l automoviles camionetas. Ford camionetas y bronco haynes manual de reparacion. Diagramas esquemas graphics mecanica automotriz ford 198893 diagramas ford.

Bateria fusibles bomba de gasolina. We also have repair guides for your vehicle simply follow the link below and enter your vehicles year make model and engine to find the info you need to do the job right. Ford sierra wiring diagrampdf.

Ford falcon diagrama electrico 1 2jpg diagrama electrico ford falcon. Ford s max 2006 electrical wiring diagramrar. Browse the excerpts below to find out how to access automotive repair guides through autozone rewards.

Ford 4 9l 1984 93 Diagramas Esquemas Graphics Ford Edge Interior 2021

Diagram Ford Ranger Diagrama Electrico Full Version Hd Quality Diagrama Electrico Taxidiagram Helene Coiffure Rouen Fr Ford Edge Interior 2021

Ford 1995 Diagramas Control Del Motor Graphics Esquemas Vehiculos Motores Componentes Mecanica Automotriz Ford Edge Interior 2021

Ford 1995 Diagramas Control Del Motor Graphics Esquemas Vehiculos Motores Componentes Mecanica Automotriz Ford Edge Interior 2021

More From Ford Edge Interior 2021


Incoming Search Terms:

  • Ford 1983 93 Diagramas Esquemas Graphics Moteur Ford Zetec 20 16v,
  • Ford 1983 93 Diagramas Esquemas Graphics Moteur Ford Zetec 20 16v,
  • Ford 1983 93 Diagramas Esquemas Graphics Moteur Ford Zetec 20 16v,
  • Ford 1983 93 Diagramas Esquemas Graphics Moteur Ford Zetec 20 16v,
  • Ford Patenta Un Sistema Muy Novedoso De Techo Desmontable Completo Para El Bronco Motor Es Moteur Ford Zetec 20 16v,
  • Ford Thunderbird 3 8 1989 Auto Images And Specification Moteur Ford Zetec 20 16v,